+1 516-499-8999
info@cadosdetailing.com
CADOS
Detailing &
Design
Home
About Us
Our Project
Services
Why Cados
Contact Us
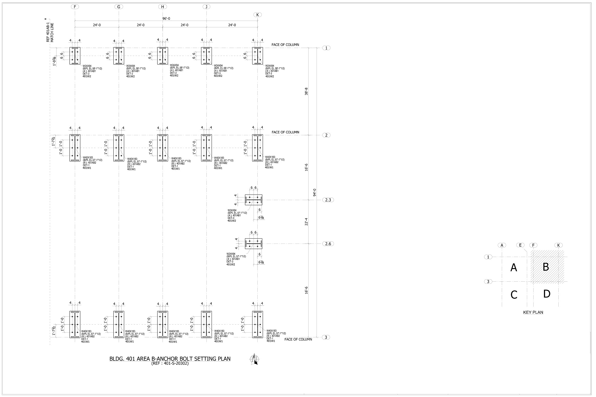
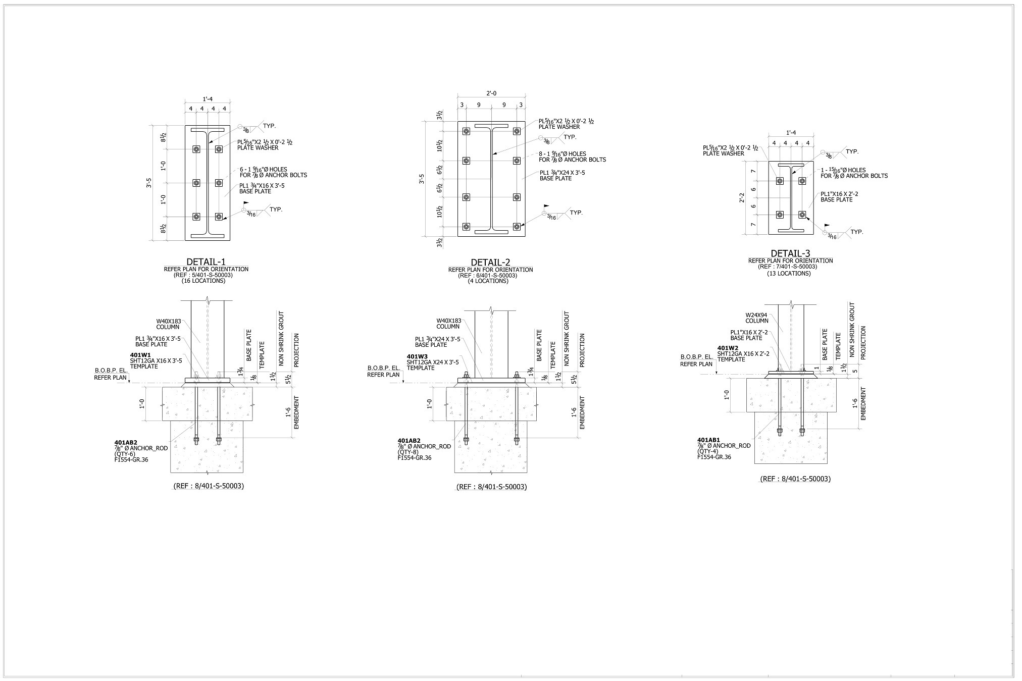
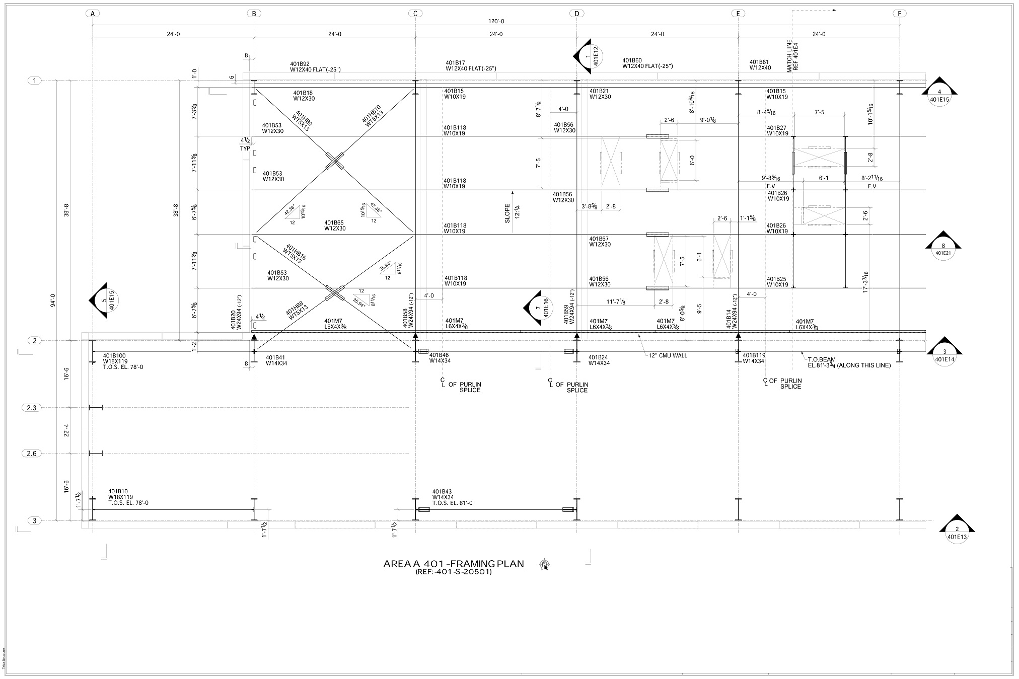
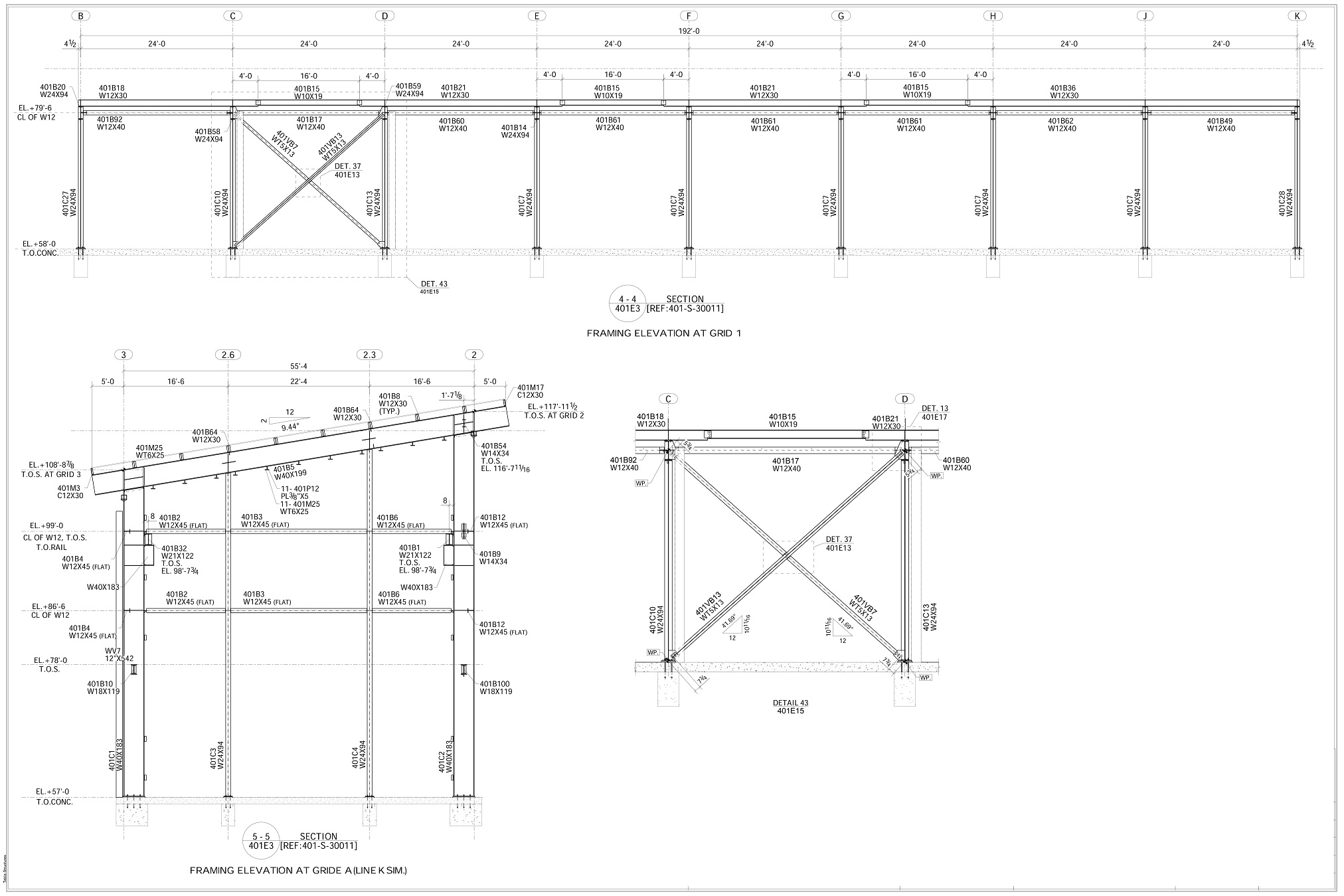
Building 401
Go Back
+